CCTV ½Ã½ºÅÛÀÇ 3ºÐ¾ß¿¡¼ Ãß±¸ÇÏ´Â ÃÖÁ¾ ¸ñÇ¥´Â ÇÑ °¡Áö´Ù. ¹Ù·Î ¿Ïº®ÇÑ °¨½Ã¸¦ ÇÏ´Â °Í. ¶§¹®¿¡ CCTV ½Ã½ºÅÛ ºÐ¾ß¿¡ Á¾»çÇÏ´Â ¾÷ü ´ã´çÀÚ³ª Àü¹®°¡µéÀº ÀÌ·¯ÇÑ ¿Ïº®ÇÑ °¨½Ã¸¦ À§ÇØ Áö±Ýµµ ¿¬±¸°³¹ß¿¡ ¸ôµÎÇϰí ÀÖ´Ù.
¿µ»óÀü¼ÛºÎ¿Í ¿µ»óÀúÀ塤ǥÃâºÎ´Â ¿Ïº®ÇÑ °¨½Ã¸¦ À§ÇØ ÇöÀç±îÁö »ó´çÈ÷ ¸¹Àº ºÎºÐÀÌ ¹ßÀüÇØ ¿Ô°í, Á¦Ç°µé ¶ÇÇÑ ´Ù¾çÇÏ°Ô Ãâ½ÃµÇ¾î ÀÖ´Ù. ÇÏÁö¸¸ ¿µ»óȹµæºÎ´Â ´ÜÁö Ä«¸Þ¶óÀÇ ÈÁú¸¸ °³¼±µÇ¾úÀ» »Ó, ¾ÆÁ÷±îÁö Å« º¯È°¡ ¾ø´Â ÇüÆíÀÌ´Ù. ÀÌ´Â ¿µ»óȹµæºÎ°¡ ´ÜÁö °¨½Ã¿µ¿ªÀ» ÃÔ¿µÇÏ´Â Ä«¸Þ¶ó·Î¼ ´Ù¸¥ ºÐ¾ßÀÇ ¿É¼ÇÀÏ »ÓÀ̶ó´Â ±âÁ¸ ¡®°¨½Ã ÆÐ·¯´ÙÀÓ¡¯ ÀÚü°¡ º¯ÈÇϰí ÀÖÁö ¾Ê±â ¶§¹®ÀÌ´Ù.
ÀÌ¿Í °ü·ÃÇÏ¿© ¿µ±¹ÀüÀÚ¿¡¼´Â ±âÁ¸°ú °°Àº °¨½Ã ÆÐ·¯´ÙÀÓÀÌ ¾Æ´Ñ »õ·Î¿î ÄܼÁÆ®ÀÇ ¿µ»óȹµæºÎ Àåºñ¸¦ °³¹ßÇß´Ù. ÇÁ·ÎÁ§Æ®¸í ¡®M.F.P(Multi Function Panoramic)¡¯´Â 360µµ·Î ÁÖº¯À» °¨½ÃÇÏ¿© »ç°¢Áö¿ªÀ» ÇØ¼ÒÇÏ°í ´Ù¾çÇÑ Ä«¸Þ¶óµéÀ» ÄÁÆ®·ÑÇÏ¿© ÁýÁß°¨½Ã¸¦ Çϸç, °¢°¢ÀÇ Ä«¸Þ¶óµé°ú Á¤º¸ ±³È¯Àº ¹°·Ð ÀÚü ÀúÀåµµ °¡´ÉÇÏ´Ù. ±âÁ¸ÀÇ ÇÑÁ¤µÈ Ȱ¢À¸·Î °¨½Ã¿ªÇÒ¸¸ ÇØ¿Ô´ø ¿µ»óȹµæºÎ¿¡ ³ÐÀº Ȱ¢ÀÇ Àüü°¨Áö °³³ä°ú ¿µ»óÀúÀåºÎ¿¡¸¸ ÇÑÁ¤ÀûÀ¸·Î Àû¿ëµÇ¾ú´ø Áö´ÉÇü ±â¼úµéÀ» žÀçÇÑ °ÍÀÌ´Ù.
¾î¶»°Ô º¸¸é ¿Ïº®ÇÑ °¨½Ã¸¦ À§Çؼ °¡Àå Áß¿äÇÑ ºÐ¾ß°¡ ¹Ù·Î ¿µ»óȹµæºÎÀÌ´Ù. ¿µ»óÀúÀåºÎ°¡ VCR¿¡¼ DVR·Î º¯ÈÇÏ¸é¼ Å©°Ô ¹ßÀüÇßµí ¿µ»óȹµæºÎÀÇ »õ·Î¿î Çõ¸íÀÌ ´Ù°¡¿À°í ÀÖ´Ù.
Àüü°¨ÁöÀÇ °³³ä
°ú°ÅºÎÅÍ ÃÖ±Ù±îÁöÀÇ ¿µ»óȹµæºÎ, Áï CCTV Ä«¸Þ¶ó´Â ¼öµ¿ÀûÀ̾ú´Ù.
´ÜÁö ¼³Ä¡Áö¿ªÀ» ÇÑÁ¤µÈ Ȱ¢À¸·Î¸¸ °¨½ÃÇß°í, »ç¶÷ÀÇ Á¶ÀÛ¿¡ ÀÇÇØ¼¸¸ Ä«¸Þ¶ó¸¦ ±¸µ¿½ÃÄÑ ÁÖº¯À» °¨½Ã ÇÒ ¼ö ÀÖ¾ú´Ù. ÀÌ·¯ÇÑ ¹®Á¦Á¡µé·Î ÀÎÇØ »ç°¢Áö¿ªÀ» ÁÙÀ̱â À§ÇÑ CCTV Áõ´ë·Î °æÁ¦Àû ¼Õ½ÇÀÌ »ý±â±âµµ Çϰí, ȸÀüÇü Ä«¸Þ¶ó´Â »ç¶÷¿¡ ÀÇÇÑ Á÷Á¢ÀûÀÎ Á¶ÀÛÀÌ ¾øÀ» ¶§ °¨½Ã È¿À²ÀÌ ¶³¾îÁö´Â ¹®Á¦Á¡ÀÌ ¹ß»ýÇϱ⵵ ÇÑ´Ù.
CCTV°¡ ÀÌ·¯ÇÑ ¹®Á¦Á¡À» ÁÙÀÌ°í °¨½Ã È¿À²¼ºÀ» ³ôÀ̱â À§Çؼ °¡Àå Áß¿äÇÑ ºÎºÐÀº ¹Ù·Î ¡®¿µ»óȹµæ ¹æ¹ýÀÇ º¯È¡¯ÀÌ´Ù. ±âÁ¸ Ä«¸Þ¶óÀÇ È°¢°ú °¨½Ã¹æ¹ýÀ¸·Î´Â È¿À²¼º ÀÖ´Â ¿µ»óȹµæÀ» ÇÏ´Â µ¥¿¡ ÇѰ谡 Àֱ⠶§¹®ÀÌ´Ù. ¿µ±¹ÀüÀÚ°¡ ÁÖÀåÇÏ´Â ¡®Àüü°¨Áö¡¯´Â ÀÌ·¯ÇÑ Àǹ̿¡¼ °¡Àå ÀÌ»óÀûÀÎ °¨½ÃÀÇ °³³äÀ̶ó°í º¼ ¼ö ÀÖ´Ù.
¿µ»óȹµæºÎÀÇ °¨½Ã ¹æ¹ýÀÌ ¡®Àüü°¨Áö¡¯ÀÇ °³³äÀ¸·Î º¯ÈÇϸé ÀÏ´Ü CCTV Ä«¸Þ¶ó ½Ã½ºÅÛ¿¡¼ »©³õÀ» ¼ö ¾ø´Â °¡Àå Å« ¹®Á¦Á¡ÀÎ ¡®°¨½ÃÀÇ »ç°¢Áö¿ª¡¯ÀÌ ¾î´À Á¤µµ ÇØ°áµÈ´Ù.
±âÁ¸ ½Ã½ºÅÛµéÀº ÀÌ·¯ÇÑ »ç°¢Áö¿ªÀ» ÇØ¼ÒÇϱâ À§ÇÏ¿© Ä«¸Þ¶ó °³¼ö¸¦ ´Ã¸®°í ȸÀüÇü Ä«¸Þ¶ó¸¦ ¼³Ä¡Çϱ⵵ ÇÏÁö¸¸, ±×·¡µµ »ç°¢Áö¿ªÀÌ »ý±ä´Ù´Â ¹®Á¦Á¡À» ¿©ÀüÈ÷ °¡Áö°í ÀÖ´Ù. ÀÌ»óÀûÀ¸·Î ¿©·¯ ´ëÀÇ Ä«¸Þ¶ó¸¦ Àß ¹èÄ¡ÇÏ¿© °¨½Ã¸¦ ÇÑ´Ù°í ÇÏ´õ¶óµµ Ä«¸Þ¶óÀÇ ¿µ»óÀ» ¸ð´ÏÅÍ·Î º¸¾ÒÀ» ¶§ ¼³Ä¡Áö¿ª°ú °¨½Ãȸé°úÀÇ Â÷ÀÌÁ¡ÀÌ »ý±æ ¼ö ÀÖ°í, °¢°¢ÀÇ ´Ù¸¥ °ø°£À» Âï°í ÀÖ´Â Ä«¸Þ¶ó °³¼ö°¡ ¸¹´Ù¸é Ä«¸Þ¶ó¸¦ ¾îµð¿¡ ¼³Ä¡Çß´ÂÁö, Áö±Ý º¸´Â ¿µ»óÀÌ ¾î´À Ä«¸Þ¶óÀÇ ¾î´À °ø°£ÀÎÁö Çò°¥¸± ¼öµµ ÀÖ´Ù.
¶ÇÇÑ »ç°ÇÀÌ ¹ß»ýÇÏ¿© ³ìÈµÈ µ¥ÀÌÅ͸¦ »ìÆìº¸·Á¸é ¼ö¸¹Àº Ä«¸Þ¶óÀÇ ¿µ»óÀ» ÀÏÀÏÀÌ ´Ù »ìÆìºÁ¾ß Çϸç, ¿ëÀÇÀÚ¸¦ ¹ß°ßÇß´õ¶óµµ ¿ëÀÇÀÚÀÇ µ¿¼±À̳ª ½Çü¸¦ Á¤È®ÇÏ°Ô ÆÄ¾ÇÇÏ´Â °ÍÀº ºÒ°¡´ÉÇÏ´Ù. ¸¸¾à Àüü°¨Áö°¡ 1´ëÀÇ Ä«¸Þ¶ó·Î °¡´ÉÇÏ´Ù¸é Ä«¸Þ¶óÀÇ °³¼ö¸¦ ȹ±âÀûÀ¸·Î ÁÙÀÌ¸é¼ °¨½ÃÈ¿À²µµ ³ôÀÏ ¼ö ÀÖ°í, ÀüüÀûÀ¸·Î ÇÑ ¹ø¿¡ ÁÖº¯À» °¨½ÃÇϱ⠶§¹®¿¡ µ¿Ã¼¿¡ ´ëÇÑ µ¿¼±ÆÄ¾ÇÀÌ ¿ëÀÌÇÏ´Ù.
±×·¸´Ù¸é ÇöÀç ¼¼°èÀûÀ¸·Î Àüü°¨ÁöÀÇ °³³äÀ» °®°í ÀÖ´Â ¿µ»óȹµæºÎ ½Ã½ºÅÛ¿¡´Â ¾î¶°ÇÑ °ÍµéÀÌ ÀÖÀ»±î?
Àüü°¨Áö¸¦ ¿µ»óȹµæºÎ¿¡ Àû¿ëÇÏ´Â ¹æ¹ýÀº ÇöÀç±îÁö 2°¡Áö Á¤µµÀÇ ¹æ¹ýÀÌ Àִµ¥, ù ¹øÂ°´Â ¿©·¯ ´ëÀÇ Ä«¸Þ¶ó¸¦ ÀÌ»óÀûÀ¸·Î ¹è¿À» ÇÏ¿© S/WÀûÀ¸·Î Àüü°¨Áö¸¦ ÇÏ´Â ¹æ¹ýÀ̰í, µÎ ¹øÂ°´Â ¾î¾È·»Á »ç¿ëÇÏ¿© ÇϳªÀÇ Ä«¸Þ¶ó·Î Àüü°¨Áö¸¦ ÇÏ´Â ¹æ¹ýÀÌ´Ù.
±×·¸´Ù¸é ÀÌ µÎ °¡Áö ½Ã½ºÅÛ¿¡ ´ëÇÏ¿© »ìÆìº¸µµ·Ï ÇÏÀÚ.
Àüü°¨Áö ½Ã½ºÅÛ Á¾·ù ¹× Ư¡
¿©·¯ ´ëÀÇ Ä«¸Þ¶ó¸¦ ÀÌ¿ëÇÏ¿© Àüü°¨Áö¸¦ ÇÏ´Â ½Ã½ºÅÛ
¿©·¯ ´ëÀÇ Ä«¸Þ¶óµéÀ» »ç¿ëÇÏ¿© Àüü°¨Áö¸¦ ÇÏ´Â ½Ã½ºÅÛÀº º¸Åë 4~8´ëÀÇ Ä«¸Þ¶ó¸¦ ¹è¿ÇÏ°í °¢°¢ÀÇ ¿µ»óÀ» ¸ð¾Æ¼ S/WÀûÀ¸·Î 180~360µµÀÇ Àüü¿µ»óÀ» ¸¸µé¾î¼ ÁÖº¯À» °¨½ÃÇÑ´Ù.
S/WÀûÀ¸·Î Àüü¿µ»óÀ» ¸¸µé´Ù º¸´Ï ¼³Ä¡¸¦ ÇÒ ¶§¿¡ µû·Î S/W°¡ žÀçµÈ Áö´ÉÇü ¼¹ö°¡ ¼³Ä¡µÇ¾î¾ß ÇÑ´Ù´Â °ø°£ÀûÀÎ ÇѰ谡 ÀÖÀ¸¸ç, Ä«¸Þ¶ó °¢µµ¸¦ Á¶Á¤ÇÒ ¼ö ¾ø±â ¶§¹®¿¡ ¼³Ä¡Áö¿ª ¹Ù·Î ¹Ø ºÎºÐ¿¡ »ç°¢Áö¿ªÀÌ »ý±â´Â ´ÜÁ¡ÀÌ ÀÖ´Ù.
¿©·¯ ´ëÀÇ Ä«¸Þ¶ó¸¦ ÀÌ¿ëÇÒ °æ¿ì ÁýÁß°¨½Ã ºÎºÐÀ» °ÈÇϱâ À§ÇØ 6´ë Á¤µµÀÇ Ä«¸Þ¶ó¸¦ ¹è¿ÇÏ¿© S/WÀûÀ¸·Î ÇϳªÀÇ Àüü°¨Áö ¿µ»óÀ» ¸¸µé°í, ±× À§¿¡ PTZ Ä«¸Þ¶ó¸¦ ¼³Ä¡ÇÏ¿© ÁýÁß °¨½ÃÇÏ´Â ½Ã½ºÅÛµµ ÀÖ´Ù. ÇÏÁö¸¸ ÀÌ ½Ã½ºÅÛ ¿ª½Ã S/WÀûÀ¸·Î ¿µ»óÀ» ¸¸µé±â ¶§¹®¿¡ Áö´ÉÇü ¼¹ö¸¦ ±¸ÃàÇØ¾ß Çϸç, Ä«¸Þ¶ó °¢µµ Á¶Á¤ÀÌ ºÒ°¡Çϱ⠶§¹®¿¡ »ç°¢Áö¿ªÀÌ ¹ß»ýÇÑ´Ù.
¿©·¯ ´ëÀÇ Ä«¸Þ¶ó¸¦ ÀÌ¿ëÇÏ¿© Àüü°¨Áö¸¦ ÇÏ´Â ½Ã½ºÅÛµéÀº ¸ðµÎ S/WÀûÀ¸·Î ¿µ»óÀ» Á¶ÇÕÇÏ¿© Àüü°¨Áö ¿µ»óÀ» ¸¸µé±â ¶§¹®¿¡ ¼¹ö ±¸ÃàÀ̶ó´Â °ø°£ÀÇ Á¦¾àÀÌ ÀÖÀ¸¸ç, °æÁ¦ÀûÀ¸·Îµµ Ä«¸Þ¶ó¸¦ ¿©·¯ ´ë »ç¿ëÇϱ⠶§¹®¿¡ °¡°Ýµµ ºñ½Î´Ù. ¶ÇÇÑ Àüü°¨Áö¸¦ ÇÏ´Â ½Ã½ºÅÛÀÌÁö¸¸ Ä«¸Þ¶ó¸¦ ¹è¿ÇÏ´Â ±¸¼º»ó ±â±¸ÇÐÀûÀ¸·Î ¼³Ä¡ Áö¿ª ¹Ø¿¡ »ç°¢Áö¿ªÀÌ »ý±â´Â Ä¡¸íÀûÀÎ ´ÜÁ¡µµ ÀÖ´Ù.
¾î¾È·»Á »ç¿ëÇÏ¿© Àüü°¨Áö¸¦ ÇÏ´Â ½Ã½ºÅÛ
¾î¾È·»Áî¶õ Á¢»ç ÃÔ¿µ¿¡ »ç¿ëÇÏ´Â ÃÊ ±¤°¢ ·»Á ¸»Çϸç, ¹°°í±â ´«À¸·Î »ç¹°À» Æ÷ÂøÇÑ °Íó·³ 360µµ ¿øÇüÀ¸·Î ³ªÅ¸³ª±â ¶§¹®¿¡ ¾î¾È ·»Áî¶ó´Â À̸§ÀÌ ºÙ¾ú´Ù. ¿µ»óÀÌ ½ÉÇÏ°Ô ¿Ö°îµÇ´Â Çö»óÀÌ ÀÖ¾î Æ¯¼öÇÑ ¸ñÀû¿¡ »ç¿ëÇϱ⵵ ÇÏÁö¸¸, ¿µ»ó ¿Ö°î º¸Á¤ ±â¼úÀ» ÅëÇÏ¿© ¿µ»óº¸Á¤ÀÌ °¡´ÉÇϱ⠶§¹®¿¡ ÀÏ¹Ý °¨½Ã ºÐ¾ß¿¡µµ ÀϺΠ¾²À̰í ÀÖ´Â ·»ÁîÀÌ´Ù. ¾î¾È·»Áî´Â ¿µ»óÀÌ ¿Ö°îµÇ´Â Çö»ó ¶§¹®¿¡ ½Ç¿Üº¸´Ù´Â ´ëºÎºÐÀÌ Á¼Àº ½Ç³»¶ó´ø°¡ ȸÀǽÇ, È£ÅÚ ·Îºñ µî¿¡ »ç¿ëµÇ°í ÀÖ´Ù.
ÀÌ ½Ã½ºÅÛÀÇ Æ¯Â¡Àº ¾î¾È·»Á ÅëÇØ ¿ø¼¦À¸·Î 360µµ µµ³Ó ¿µ»óÀ» ¹Þ¾Æ S/WÀûÀ¸·Î 180µµ ¶Ç´Â 360µµ ¿µ»óÀ¸·Î ¿Ö°îº¸Á¤ ¹× ¿µ»ó¼¼ÆÃÀ» ÇÏ¿© ȸ鿡 Ç¥ÃâÇÑ´Ù. µû·Î PTZ Ä«¸Þ¶ó°¡ ¾ø¾î ȸé»ó¿¡ÀÇ µðÁöÅÐ PTZ ±â´ÉÀÌ Á¦°øµÈ´Ù. ÇÏÁö¸¸ ÀÌ ½Ã½ºÅÛ ¿ª½Ã S/W°¡ µû·Î ÇÊ¿äÇÑ Á¦Ç°À̰í, º°µµÀÇ ÁýÁß°¨½Ã Ä«¸Þ¶ó ¾øÀÌ µðÁöÅÐ ÁÜ ±â´É¿¡ ÀÇÁ¸Çϰí ÀÖ¾î ÁýÁß°¨½Ã ºÎºÐÀÌ ¾àÇÑ ´ÜÁ¡ÀÌ Á¸ÀçÇÑ´Ù.
Áö±Ý±îÁö ±âÁ¸ÀÇ Àüü°¨Áö °³³äÀÇ µÎ °¡Áö ½Ã½ºÅÛ¿¡ ´ëÇÏ¿© ¾Ë¾Æº¸¾Ò´Ù. µÎ ½Ã½ºÅÛ ¸ðµÎ À塤´ÜÁ¡ÀÌ Á¸ÀçÇÏÁö¸¸, ÀÌ»óÀûÀÎ °¨½Ã ½Ã½ºÅÛÀ̶ó°í º¸±â¿¡´Â ¾ÆÁ÷ ¿Ïº®ÇÏÁö ¸øÇÑ ¸ð½ÀÀÌ´Ù.
M.F.P(Multi Function Panoramic)
±×·¸´Ù¸é Áö±ÝºÎÅÍ ¿µ±¹ÀüÀÚÀÇ Àüü°¨Áö ½Ã½ºÅÛ M.F.P¿¡ ´ëÇÏ¿© »ìÆìº¸ÀÚ. ¿µ±¹ÀüÀÚ°¡ ¿¬±¸°³¹ßÇÑ Àüü°¨Áö ½Ã½ºÅÛÀº Áö±Ý±îÁö ¼³¸íÇÑ ±âÁ¸ ½Ã½ºÅÛ°ú´Â ºÐ¸íÇÑ Â÷ÀÌÁ¡ÀÌ ÀÖ´Ù. ¿ì¼± ¾î¾È·»Áî´Â ½Ç¿Ü¿¡´Â ¸ÂÁö ¾Ê´Ù´Â °íÁ¤°ü³ä¿¡¼ Å»ÇÇÇØ ½Ç¿Ü¿¡¼µµ ¾Æ¹«·± ¹®Á¦°¡ ¾ø´Â Ư¼öÇÑ ¾î¾È·»Á °³¹ßÇÏ¿© ÀåÂøÇß´Ù. 500¸¸ ȼҷΠÀüü°¨Áö¸¦ Çϱ⠶§¹®¿¡ ÇöÀç ³ª¿Í ÀÖ´Â ¾î¶°ÇÑ Àüü°¨Áö Ä«¸Þ¶óµé°ú ºñ±³ÇÏ´õ¶óµµ ¿µ»óÀÇ Ç°Áú°ú ¿òÁ÷ÀÓ °¨Áö¿¡ ÀÖ¾î¼ µÚÁöÁö ¾Ê´Â ¼º´ÉÀ» º¸¿©ÁØ´Ù.
.gif)
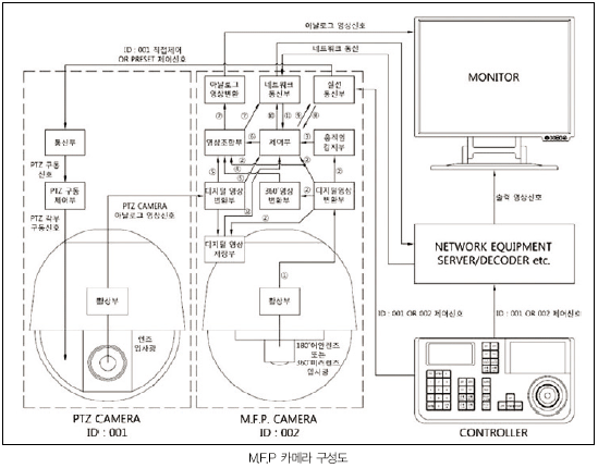
Ä«¸Þ¶óÀÇ ¿ÜÇüÀ» º¸¸é M.F.P Ä«¸Þ¶ó ¿ª½Ã ÁýÁß°¨½Ã Ä«¸Þ¶ó°¡ µû·Î ¾ø´Ù. ÇÏÁö¸¸ M.F.P Ä«¸Þ¶ó´Â ÁýÁß°¨½Ã Ä«¸Þ¶ó¸¦ ÄÁÆ®·Ñ ÇÒ ¼ö Àִµ¥, ÀÌ ºÎºÐÀÌ ±âÁ¸ Ä«¸Þ¶óµé°úÀÇ °¡Àå Å« Â÷ÀÌÁ¡À̶ó°í ÇÒ ¼ö ÀÖ´Ù.
ÁýÁß°¨½Ã Ä«¸Þ¶ó´Â ¼³Ä¡ Áö¿ª°ú ¿ëµµ¿¡ µû¶ó ±× Á¾·ù°¡ ´Þ¶óÁø´Ù. ¿¹¸¦ µé¸é, ¾ß°£À» À§ÇÑ Àû¿Ü¼± Ä«¸Þ¶ó³ª ºñ³ª ´«ÀÌ ¸¹ÀÌ ³»¸®´Â Áö¿ª¿¡ ¼³Ä¡Çϱâ À§ÇÑ ¿ÍÀÌÆÛÇü Ä«¸Þ¶ó, ¶Ç´Â ¹æÆøÇü Ä«¸Þ¶ó µî ¸¹Àº Á¾·ù°¡ ÀÖÀ» ¼ö Àִµ¥, M.F.P Ä«¸Þ¶ó´Â ÀÌ¿Í °°Àº ¿©·¯ Á¾·ùÀÇ ÁýÁß°¨½Ã Ä«¸Þ¶óµé°ú ¼·Î Á¤º¸¸¦ ÁÖ°í¹ÞÀ¸¸ç Àüü°¨Áö¿¡¼ ÀϾ´Â À̺¥Æ®µéÀ» ¾Ë·ÁÁÖ¾î ÁýÁß°¨½Ã¸¦ ÇÒ ¼ö ÀÖµµ·Ï ÇÏ´Â ±â´ÉÀ» °¡Áö°í ÀÖ´Ù.
¶ÇÇÑ, °¢°¢ÀÇ M.F.P Ä«¸Þ¶óµé »çÀÌ¿¡¼µµ Åë½ÅÀÌ °¡´ÉÇÏ´Ù. Áï, M.F.P Ä«¸Þ¶ó´Â ¶Ç ´Ù¸¥ M.F.P Ä«¸Þ¶ó¿¡°Ô Á¤º¸¸¦ º¸³»¾î ¿òÁ÷ÀÌ´Â »ç¹°ÀÌ Ä«¸Þ¶óÀÇ È°¢¿¡¼ ¹þ¾î³ª´õ¶óµµ »ç¹°¿¡ ´ëÇÑ µ¿¼± ÃßÀûÀÌ ²÷ÀÓ¾øÀÌ °¡´ÉÇÑ ¿¬°èÃßÀû ½Ã½ºÅÛÀ» ±¸¼ºÇÒ ¼ö ÀÖ´Ù. °Ô´Ù°¡ ¾Õ¼ »ìÆìº» ½Ã½ºÅÛµéó·³ º°µµÀÇ S/W¸¦ »ç¿ëÇÑ ¼¹ö¸¦ ±¸ÃàÇÏÁö ¾Ê¾Æµµ Ä«¸Þ¶ó¿¡¼ ¸ðµç ±â´ÉÀ» ¼öÇàÇϸç, º°µµÀÇ HDD¸¦ »ðÀÔÇÏ¿© Ä«¸Þ¶ó ÀÚü¿¡¼µµ À̺¥Æ®¸¦ ÀúÀåÇÒ ¼ö ÀÖ´Ù. µû¶ó¼ ½Ç½Ã°£ °¨½Ã¿µ»óÀÌ ´Ù¼Ò Áö¿¬µÇ¾î º¸ÀÏ ¼ö ÀÖ´Ù´Â ¹®Á¦Á¡°ú ½Ã½ºÅÛ ±¸Ãà ½Ã °ø°£ÀÇ Á¦¾àÀÌ »ý±â´Â ¹®Á¦Á¡ µîÀ» °³¼±Çß°í, ¼¾ÅÍ¿Í ·ÎÄÃÀÇ ÀÌÁß µ¥ÀÌÅÍ º¸°üÀ¸·Î µ¥ÀÌÅÍ º¸¾Èµµ ´õ¿í °·ÂÇØÁ³´Ù.
¿µ±¹ÀüÀÚ°¡ °³¹ßÇÑ M.F.P ¶ÇÇÑ 100% ¿Ïº®ÇÑ CCTV Ä«¸Þ¶ó´Â ¾Æ´Ï´Ù. ÇÏÁö¸¸ ÀÌ Á¦Ç°ÀÌ ¿µ»óȹµæ ºÎ¿¡ Å« ¿µÇâÀ» ÁÙ °ÍÀÌ°í ¿µ»óÀúÀåºÎ°¡ ÁÖµµÇؿԴø ¿µ»ó°¨½Ã ºÐ¾ßÀÇ ÆÇµµ¸¦ ¿µ»óȹµæºÎ·Î Á¶±ÝÀÌ¶óµµ °¡Á®¿Ã ¼ö ÀÖ´Â Á¦Ç°ÀÌ µÉ °ÍÀ̶ó°í ¿µ±¹ÀüÀÚ´Â ±â´ëÇϰí ÀÖ´Ù.
<±Û : ±è â ±Ô ¦¢ ¿µ±¹ÀüÀÚ °³¹ßºÎ °úÀå(xrose1107@naver.com)>
[¿ù°£ ½ÃÅ¥¸®Æ¼¿ùµå Åë±Ç Á¦172È£(sw@infothe.com)]
<ÀúÀÛ±ÇÀÚ : ½ÃÅ¥¸®Æ¼¿ùµå(www.securityworldmag.co.kr) ¹«´ÜÀüÀç-Àç¹èÆ÷±ÝÁö>


















































.jpg)

.jpg)
.jpg)

_m.jpg)


.jpg)

